Z6·尊龙凯时(ZLKS.TOP)集团唯一官方网站Z6·尊龙凯时

产品中心

产品中心

Product Center

  • HXGN15-12单元式交流金属封闭环网开关设备
  • HXGN15-12单元式交流金属封闭环网开关设备
  • HXGN15-12单元式交流金属封闭环网开关设备
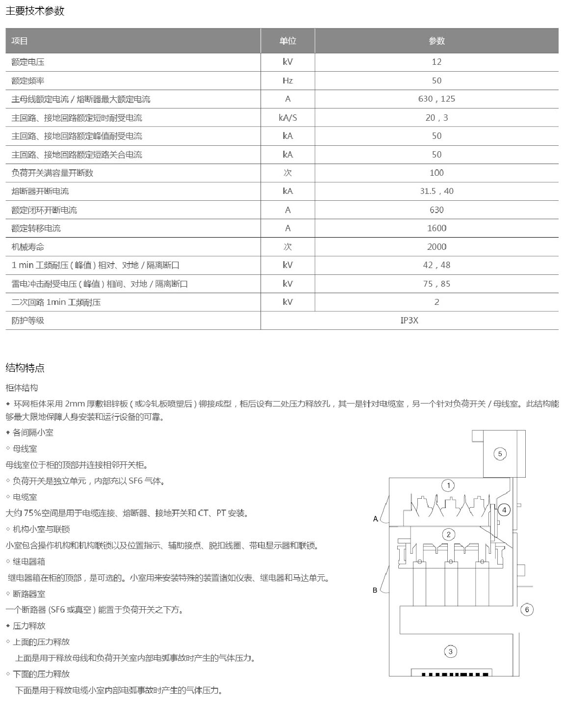
  • 产品详情

HXGN.jpg1.jpgHXGN.jpg2.jpgHXGN.jpg23jpg.jpg

相关产品

Related Products

Z6·尊龙凯时