Z6·尊龙凯时(ZLKS.TOP)集团唯一官方网站Z6·尊龙凯时

产品中心

产品中心

Product Center

  • KYN28A-12铠装移开式交流金属封闭开关设备
  • KYN28A-12铠装移开式交流金属封闭开关设备
  • KYN28A-12铠装移开式交流金属封闭开关设备
  • 产品详情

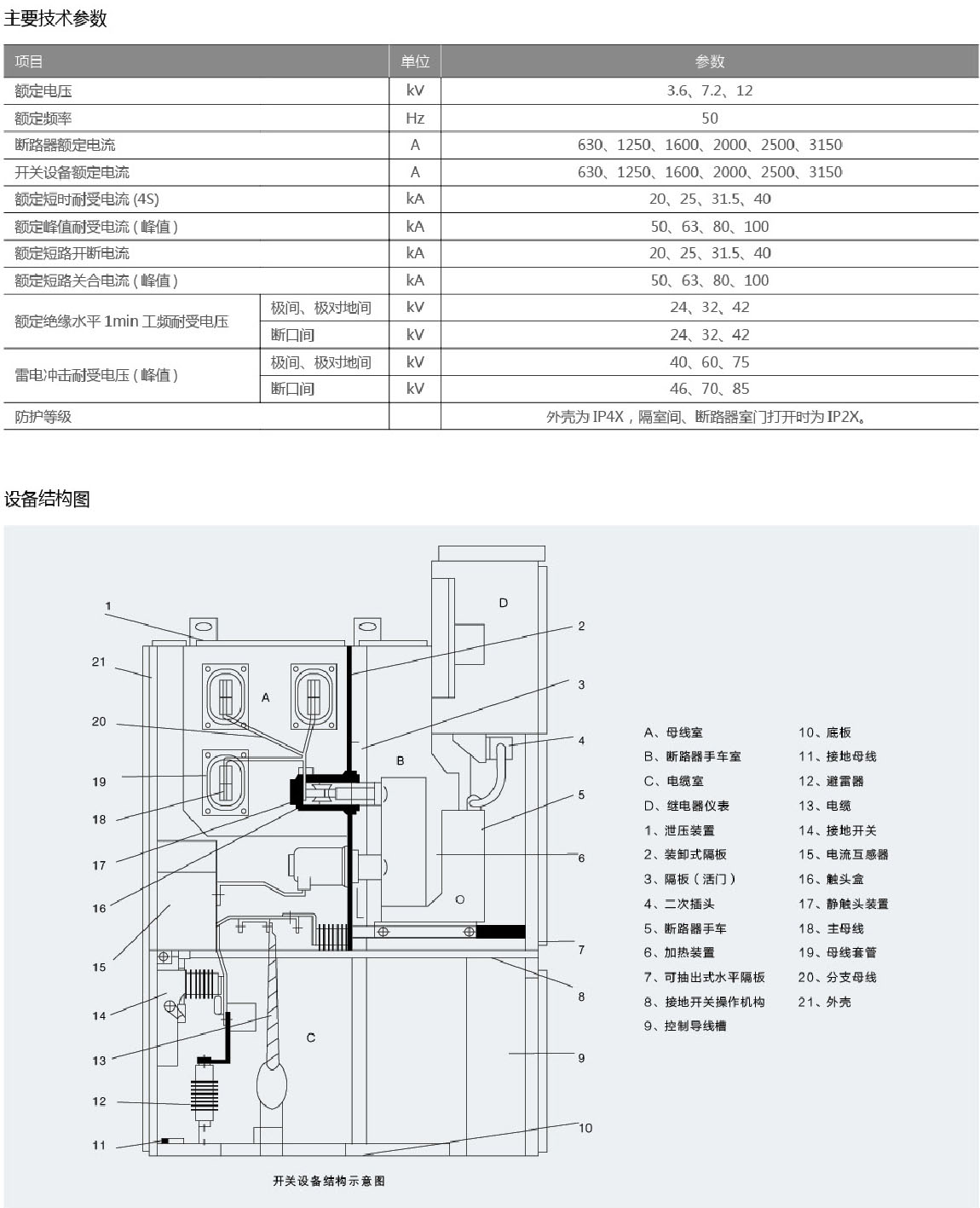
KYN1.jpgkyn2.jpg

相关产品

Related Products

Z6·尊龙凯时