Z6·尊龙凯时(ZLKS.TOP)集团唯一官方网站Z6·尊龙凯时

产品中心

产品中心

Product Center

  • ZW10-12户外交流高压真空断路器
  • ZW10-12户外交流高压真空断路器
  • ZW10-12户外交流高压真空断路器

ZW10-12户外交流高压真空断路器

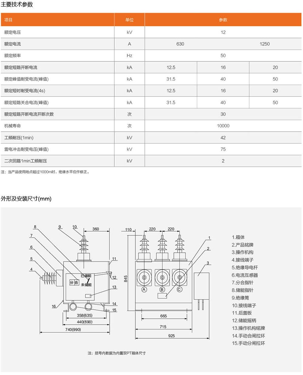
ZW10- 12/630-20系列户外交流高压真空断路器系三相交流50Hz,户外高压开关设备,主要用于12KV农网和城网的电力系统,作为分、合负荷电流、过载电流及短路电流之用,也可用于其它类似场所。
断路器可配隔离开关组合成组合电器;
可配重合控制器组成重合器;
可与FTU、RTU组成自动化配电网开关,对故障清除和隔离,自动转移供电、自动恢复供电。通过远动控制装置,与配电管理中心的DMS系统通信,可实现四遥功能。
与智能IC卡预付费配电控制箱配置使用,可实现无费自动断电,买电自动恢复供电,满足当前供电部门对电能管理改革的需求。
  • 产品详情


相关产品

Related Products

Z6·尊龙凯时